![]() |
Using I2C DAC MCP4725 |
![]() |
|
![]() |
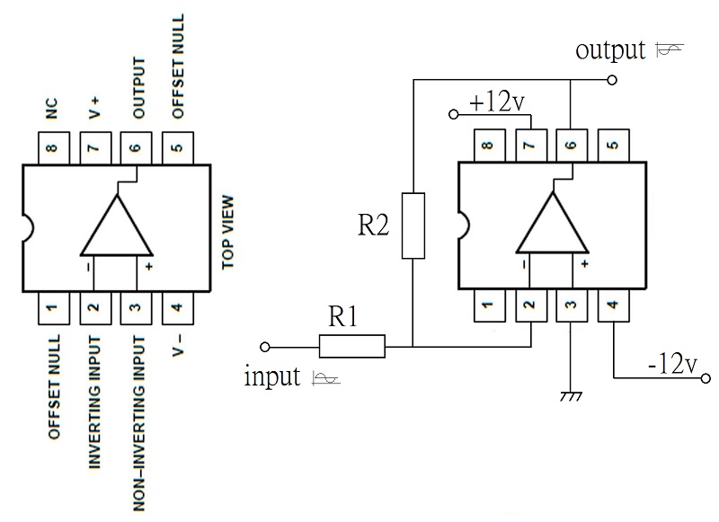
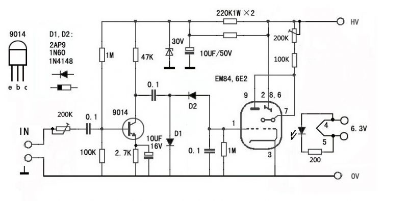
Remove D2. Tube pin#1 is input. |
![]() |
|
![]() |
Phototype#1
|
![]() |
|
![]() |
Phototype#2
|
![]() |
Version 1.0
|
|
2025/08/12 02:17 v14 |
