fluorescent 3

... 上一頁... 下一頁... 回首頁...








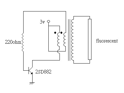
間歇振盪電路


















 

2025/08/15 23:18 v14
 
 
... 上一頁... 下一頁... 回首頁...